logo

ST PETERSBURG TABLE OF CONTENTS

PDF Publication Title:

ST PETERSBURG TABLE OF CONTENTS ( st-petersburg-table-contents )

Previous Page View | Next Page View | Return to Search List

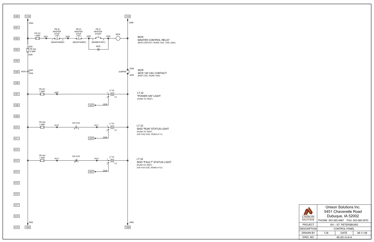
Text from PDF Page: 072

PDF Image | ST PETERSBURG TABLE OF CONTENTS

st-petersburg-table-contents-072

PDF Search Title:

ST PETERSBURG TABLE OF CONTENTS

Original File Name Searched:

Gas_Skid_Manual.pdf

DIY PDF Search: Google It | Yahoo | Bing

Capstone Turbine and Microturbine: Capstone microturbines used and new surplus for sale listing More Info

Consulting and Strategy Services: Need help with Capstone Turbine, sizing systems, applications, or renewable energy strategy, we are here to assist More Info

Container Lumber Dry Kiln: Since 1991 developing and innovating dry kilns using standard shipping containers More Info

Supercritical CO2 Lumber Dry Kiln: Compact fast drying in 3 days or less for small amounts of wood and lumber drying More Info

BitCoin Mining: Bitcoin Mining and Cryptocurrency... More Info

Publications: Capstone Turbine publications for microturbine and distributed energy More Info

FileMaker Software for Renewable Energy Developing database software for the renewable energy industry More Info

CO2 Gas to Liquids On-Demand Production Cart Developing a supercritical CO2 to alcohol on-demand production system (via Nafion reverse fuel cell) More Info

Stranded Gas for low cost power Bitcoin Mining Using stranded gas for generators may provide breakthrough low power costs for cryptocurrency miners. More Info

CONTACT TEL: 608-238-6001 Email: greg@globalmicroturbine.com | RSS | AMP